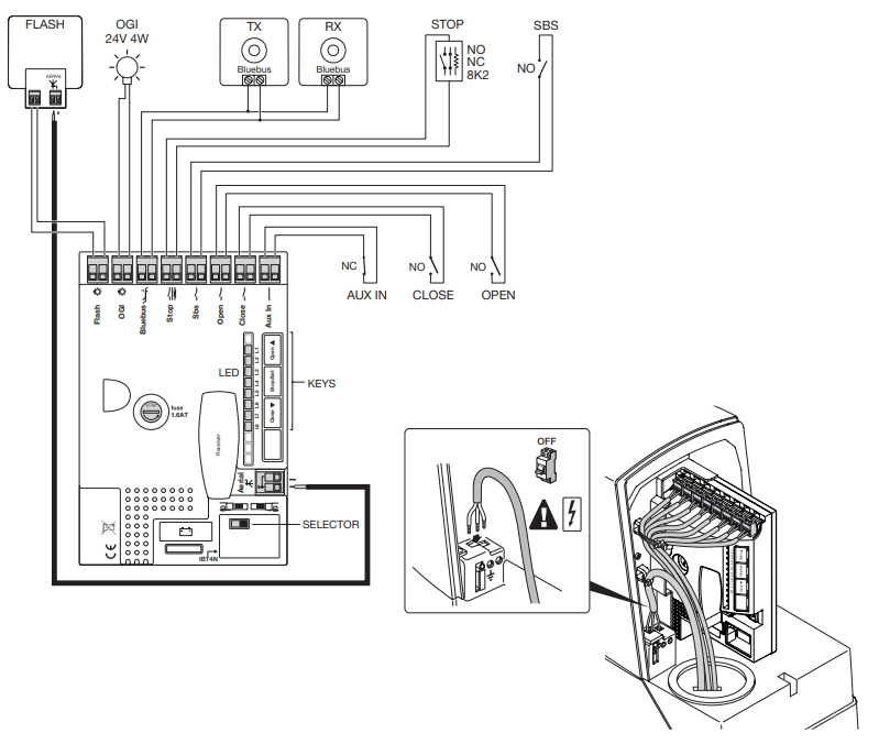
Ouverture portail motorisé Nice RB 400 depuis visiophone Hikvision
Ce sujet comporte 3 messages et a été affiché 129 fois
Nouveau sujet
Répondre
|
1 personne surveille ce sujet |
Env. 10 message
Membre ultra utile
Env. 10 message
Ce sujet vous a-t-il aidé ?
0
Votez !
0
Votez !
C'est intéressant aussi !
Devis interphone
Demandez, en 5 minutes, 3 devis comparatifs aux professionnels de votre région. Gratuit et sans engagement.
Demandez, en 5 minutes, 3 devis comparatifs aux professionnels de votre région. Gratuit et sans engagement.
1
personne
surveille ce sujet
surveille ce sujet
Autres discussions sur ce sujet :
-
Ouverture portail avec un relais finder 80.01.0.240.0000
1 réponses Forum Electricité, domotique et sécurité
Résolu -
visiophone Avidsen image mais pas de son
2 réponses Forum Electricité, domotique et sécurité
Résolu -
Remplacement vieux système intercom par système visiophone
4 réponses Forum Electricité, domotique et sécurité -
Fonction UNLOCK avec les portiers wifi IP
2 réponses Forum Electricité, domotique et sécurité
Résolu -
Conseil visiophone avec digicode pour 2 logement
14 réponses Forum Electricité, domotique et sécurité -
Quel visiophone pour portail/portillon/caméra supplémentaire
9 réponses Forum Electricité, domotique et sécurité -
Portier vidéo et automatisme de portail coulissant
1 réponses Forum Electricité, domotique et sécurité
Résolu -
Repérage fils anciens interphone avec photos
41 réponses Forum Electricité, domotique et sécurité
Résolu -
Je dois remplacer un vieux combiné je voudrais savoir si pourriez me donner un aide
20 réponses Forum Electricité, domotique et sécurité -
visiophone avec cde portail sur interface intérieure?
6 réponses Forum Electricité, domotique et sécurité




Nouveau sujet
Répondre




C'est intéressant aussi !




Autres discussions sur ce sujet :
Résolu