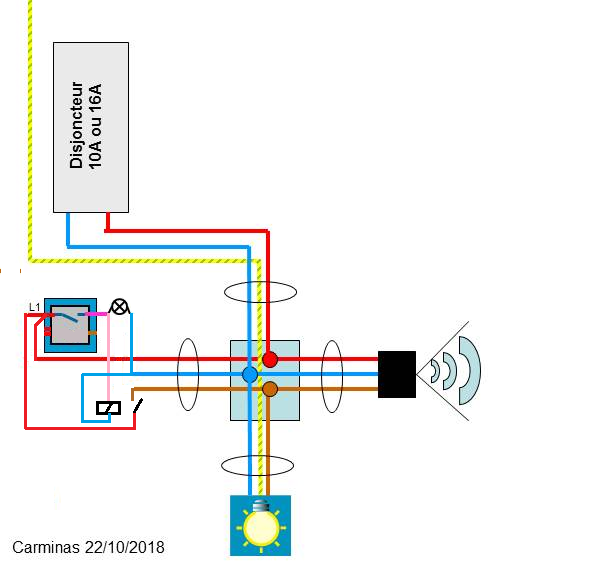
Lampe sur interrupteur avec témoin et sur détecteur de mouvement
Ce sujet comporte 5 messages et a été affiché 100 fois
										
				
											
																							   Nouveau sujet 
																						
																							  Répondre    
																																	 
									 | 
									
							
										 1  personne surveille ce sujet  | 
								
Généré à l'aide d'une IA
							
 Membre ultra utile
 Membre ultra utile
 Membre super utileActuellement en ligne !
										
				En cache depuis avant-hier à 16h22
							
							Ce sujet vous a-t-il aidé ?
							
								
									
								
							
								
									
								
						
					
						
										0
									
								Votez !
							
										0
									
								Votez !
							
 C'est intéressant aussi !
									
			
			Devis travaux électriques
Demandez, en 5 minutes, 3 devis comparatifs aux professionnels de votre région. Gratuit et sans engagement.
									Demandez, en 5 minutes, 3 devis comparatifs aux professionnels de votre région. Gratuit et sans engagement.
			
			Comment choisir ses fils et câbles électriques ?
Les guides vous aident à y voir plus clair sur la construction.
									Les guides vous aident à y voir plus clair sur la construction.
			
			Photos installations électriques
Picorez des idées en parcourant les photos des constructions des autres !
									Picorez des idées en parcourant les photos des constructions des autres !
			
			16 idées d'éclairages indirects
L'équipe de Forum Construire sélectionne pour vous les plus belles photos des membres et du web.
																			L'équipe de Forum Construire sélectionne pour vous les plus belles photos des membres et du web.
		1
 personne
surveille ce sujet
surveille ce sujet
 Autres discussions sur ce sujet :
				- 
									
									interrupteur sans fil en plus d'un va et vient existant
21 réponses Forum Electricité, domotique et sécurité - 
									
									Quel schéma pour détecteur en marche forcée ?
21 réponses Forum Electricité, domotique et sécurité - 
									
									Cable 3 fils en attente dans le plafond de ma cuisine piloté par aucun interrupteur?
19 réponses Forum Electricité, domotique et sécurité - 
									
									Pontage sur interrupteur Va et vient possible sans boite de derivation?
7 réponses Forum Electricité, domotique et sécurité
 Résolu									 - 
									
									Applique murale avec interrupteur et prise, comment installer ?
19 réponses Forum Electricité, domotique et sécurité - 
									
									Inter sans contact sur interrupteur va et vient
70 réponses Forum Electricité, domotique et sécurité - 
									
									Calcul du nombre de spot pour salon
116 réponses Forum Electricité, domotique et sécurité 




 Nouveau sujet
 Répondre




 C'est intéressant aussi !




 Autres discussions sur ce sujet :
									
 Résolu