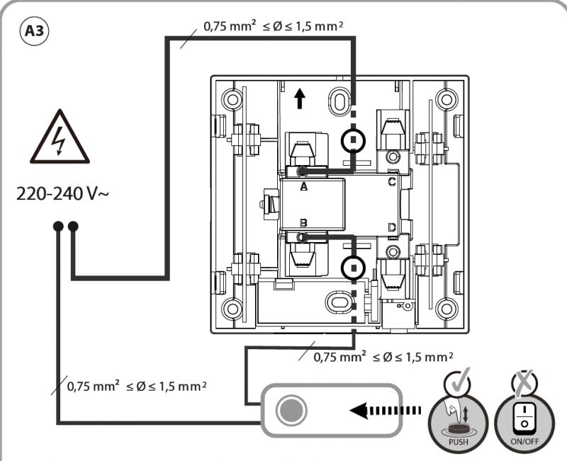
Branchement sonnette 230v avec temoin Résolu
Ce sujet comporte 7 messages et a été affiché 126 fois
Nouveau sujet
Répondre
|
2 abonnés surveillent ce sujet |
Membre utile
Membre utile
Membre utile
Membre utileEn cache depuis le dimanche 17 mai 2026 à 00h02
Ce sujet vous a-t-il aidé ?
1
Votez !
0
Votez !
C'est intéressant aussi !
Devis interphone
Demandez, en 5 minutes, 3 devis comparatifs aux professionnels de votre région. Gratuit et sans engagement.
Demandez, en 5 minutes, 3 devis comparatifs aux professionnels de votre région. Gratuit et sans engagement.
2
abonnés
surveillent ce sujet
surveillent ce sujet
Autres discussions sur ce sujet :
-
Interrupteur à voyant: est ce dangereux?
5 réponses Forum Electricité, domotique et sécurité
Résolu -
Branchement d’une sonnette sur motorisation portail
3 réponses Forum Electricité, domotique et sécurité -
2 sonneries sur un seul bouton de sonnette
6 réponses Forum Electricité, domotique et sécurité -
Est-ce que il faut absolument mettre un regard pour le fourreau ptt
6 réponses Forum Electricité, domotique et sécurité -
Pb remplacement sonnette filaire
18 réponses Forum Electricité, domotique et sécurité -
Mise à la terre si dalle coulée
5 réponses Forum Electricité, domotique et sécurité
Résolu -
Supprimer des interrupteurs double avec va et vient pour domotiser
5 réponses Forum Electricité, domotique et sécurité -
Carillon pour sonnette intelligente/camera
8 réponses Forum Electricité, domotique et sécurité -
Coupure de courant en retirant une sonnette filaire
6 réponses Forum Electricité, domotique et sécurité




Nouveau sujet
Répondre





C'est intéressant aussi !




Autres discussions sur ce sujet :
Résolu