Retour
Menu utilisateur
Menu

Photos et idées Autres

Trouvez des idées en parcourant les photos des autres !
Ordre d'affichage :
Le carrelage en l'état... à renover.
Le carrelage en l'état... à renover.
Sur cette photo vous pouvez voir que la pose du carrelage n'a rien a voir avec le descriptif(un carrelage collée sur chape liquide anhydrite)
Il ne respecte pas les DTU
- pas de polyane
-polystyrène non jointées
utilisation de mortiers dessèches,
canalisations noyées dans le mortier de pose etc...
Sur cette photo vous pouvez voir que la pose du carrelage n'a rien ...
Salle de bain avant modif
Salle de bain avant modif
Plan de travail en granit   crédence. Ils ont poser un granit qui n'est pas ce lui commandé, après une attente de 3 mois (normalement prévu sur 4 semaines max) évidemment une référence nettement moins cher, donc il ne vérifie pas la marchandise et ils ont oublié la crédence (donc attente un mois de plus)
Plan de travail en granit crédence. Ils ont poser un granit ...
L'emplacement des casiers
L'emplacement des casiers
Sol de l'étage: bauge. 100m²
Sol de l'étage: bauge. 100m²
Chape avant carrelage
Chape avant carrelage
Entrée d'air hygroréglable VMC Anjos - Vis de réglage
1
Entrée d'air hygroréglable VMC Anjos - Vis de réglage
Litige artisan cuisine
1
Litige artisan cuisine
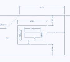
Plan des réseaux VDI.
1
Plan des réseaux VDI.
Rez de chaussée,nappe chauffage sol près à recevoir la chape liquide.
Rez de chaussée,nappe chauffage sol près à recevoir ...
Adoucisseur d'eau 15 Litres de résine.
Adoucisseur d'eau 15 Litres de résine.
Choix crépis couleur blanc et beige.
Choix crépis couleur blanc et beige.
Conduit condensation
 
1
Conduit condensation
Chambre deux a renover + mezzanine a creer
 
1
Chambre deux a renover + mezzanine a creer
Meuble 3 tirois devant
 
1
Meuble 3 tirois devant
Projet cuisine
1
Projet cuisine
Malfacon carrelage
Malfacon carrelage
Cuisine appartement
 
1
Cuisine appartement
1
Autres - Montauroux (Var - 83) - aout 2014
 
1
Autres - Haute Savoie (74) - juillet 2014
1
Autres - Meuse (55) - octobre 2011
Autres - Achiet Le Grand (Pas De Calais - 62) - juin 2016
Autres - Champeaux (Manche - 50) - mars 2012


1
Autres - Reims (Marne - 51) - juillet 2009
Autres - Pierrelaye (Val D Oise - 95) - juin 2017
Autres - Surzur (Morbihan - 56) - février 2014
 
Autres - St Jean Les Deux Jumeaux (Seine Et Marne - 77) - juillet 2014
Autres - Blesmes (Aisne - 2) - juillet 2014
Autres - St Martin De Crau (Bouches Du Rhone - 13) - mai 2016
1
Autres - Aimargues (Gard - 30) - février 2010 - Photo #127389 par DOF
1
Autres - Rhone (69) - novembre 2009
Autres - Aisne (2) - février 2010 - Photo #90507 par Taiis
1
Autres - Cote D'or (21) - janvier 2012
 
1
Autres - Charente (16) - avril 2012 - Photo #481154 par pacha16
 
1
Autres - Charente (16) - décembre 2011 - Photo #386844 par pacha16
1
Autres - Haut Rhin (68) - décembre 2012
 
Autres - Haute Savoie (74) - décembre 2012
 
Autres - Haute Savoie (74) - novembre 2012
 
1
Autres - Haute Savoie (74) - octobre 2012 - Photo #613510 par manumatt
 
1
Autres - Haute Savoie (74) - octobre 2012 - Photo #607268 par manumatt
 
1
Autres - Haute Savoie (74) - octobre 2012
 
Autres - Haute Savoie (74) - octobre 2012
 
Autres - Haute Savoie (74) - octobre 2012
 
1
Autres - Haute Savoie (74) - octobre 2012
 
1
Autres - Haute Savoie (74) - octobre 2012
 
1
Autres - Haute Savoie (74) - octobre 2012
 
1
Autres - Haute Savoie (74) - octobre 2012
Autres - Toulouse (Haute Garonne - 31) - octobre 2016
Autres - Toulouse (Haute Garonne - 31) - octobre 2015 - Photo #1281551 ...
Autres - Toulouse (Haute Garonne - 31) - octobre 2015 - Photo #1281550 ...
Autres - Toulouse (Haute Garonne - 31) - octobre 2015 - Photo #1281549 ...
Autres - Toulouse (Haute Garonne - 31) - octobre 2015 - Photo #1281548 ...
Autres - Toulouse (Haute Garonne - 31) - octobre 2015
Autres - Toulouse (Haute Garonne - 31) - octobre 2015 - Photo #1281536 ...
Autres - Toulouse (Haute Garonne - 31) - avril 2015 - Photo #1175205 ...
Autres - Toulouse (Haute Garonne - 31) - avril 2015
Autres - Toulouse (Haute Garonne - 31) - avril 2015
Autres - Toulouse (Haute Garonne - 31) - avril 2015
Autres - Toulouse (Haute Garonne - 31) - avril 2015
Autres - Toulouse (Haute Garonne - 31) - avril 2015 - Photo #1175199 ...
Autres - Toulouse (Haute Garonne - 31) - avril 2015
Autres - Toulouse (Haute Garonne - 31) - avril 2015
Autres - Toulouse (Haute Garonne - 31) - avril 2015
Autres - Toulouse (Haute Garonne - 31) - avril 2015


Les photos autres sont déposées et décrites par les membres eux mêmes, sans aucun contrôle de la part de ForumConstruire.com. De ce fait, il se peut que certaines photos soient mal détaillées, placées dans de mauvaises catégories, mal orientées, etc ...

Sur le même thème :

Devis construction de maisonArtisan
Devis construction de maison
Demandez, en 5 minutes, 3 devis comparatifs aux professionnels de votre région. Gratuit et sans engagement.
Par qui faire construire sa maison ?
Par qui faire construire sa maison ?
Les guides vous aident à y voir plus clair sur la construction.
Forum Forum
Forum "faire construire, par où commencer ?"
Dans le forum, posez vos questions, consultez celles des autres, entraidez-vous.
Les 10 maisons les plus extraordinaires des membres de Forum Construire
Les 10 maisons les plus extraordinaires des membres ...
L'équipe de Forum Construire sélectionne pour vous les plus belles photos des membres et du web.
Vous aussi, participez ! Envoyez vos photos !

Sélectionnez une étape :

Voir