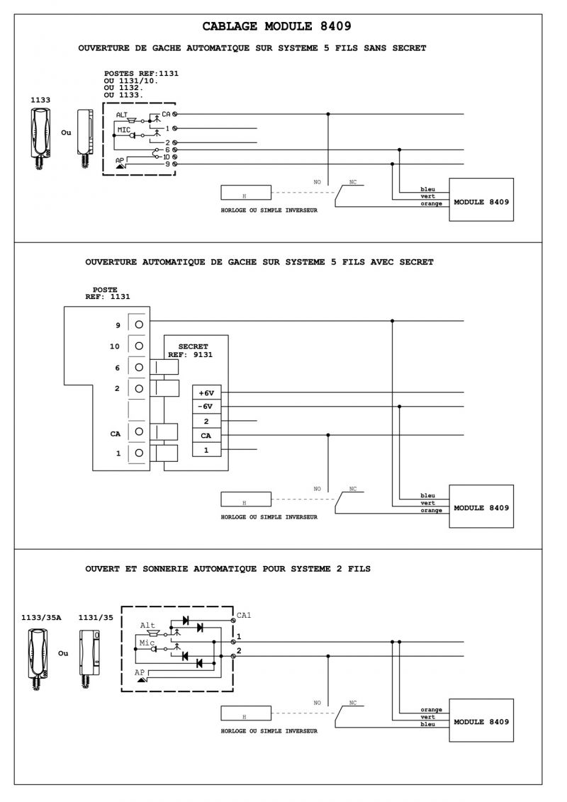
Ouverture automatique de porte avec Urmet 8409
Ce sujet comporte 7 messages et a été affiché 134 fois
Nouveau sujet
Répondre
|
3 abonnés surveillent ce sujet |
Membre ultra utile
Membre ultra utile
Membre ultra utileEn cache depuis le vendredi 02 janvier 2026 à 22h13
Ce sujet vous a-t-il aidé ?
0
Votez !
0
Votez !
C'est intéressant aussi !
Devis interphone
Demandez, en 5 minutes, 3 devis comparatifs aux professionnels de votre région. Gratuit et sans engagement.
Demandez, en 5 minutes, 3 devis comparatifs aux professionnels de votre région. Gratuit et sans engagement.
3
abonnés
surveillent ce sujet
surveillent ce sujet
Autres discussions sur ce sujet :
-
Branchement interphone Fermax 4+N VEO 3431 à la place d'un urmet CS 1133
5 réponses Forum Electricité, domotique et sécurité -
Branchement platine Extel - combiné urmet 2 appartements
0 réponses Forum Electricité, domotique et sécurité -
Changement combiné compatible interphone appartement
35 réponses Forum Electricité, domotique et sécurité
Résolu -
Programmation Platine interphone sur rue urmet 1072/19A
5 réponses Forum Electricité, domotique et sécurité -
Branchements EZVIZ HP7 avec gâche électrique et bouton poussoir
5 réponses Forum Electricité, domotique et sécurité -
Remplacement interphone platine extérieure
6 réponses Forum Electricité, domotique et sécurité -
Schéma de câblage urmet CAPTIV 1082
0 réponses Forum Electricité, domotique et sécurité -
Pas de phonie montante urmet1133-15
8 réponses Forum Electricité, domotique et sécurité -
Je recherche un interphone audio filaire connecté avec un combiné intérieur
6 réponses Forum Electricité, domotique et sécurité -
Interphone urmet 1130/3D, un fil se promène ?
0 réponses Forum Electricité, domotique et sécurité




Nouveau sujet
Répondre





C'est intéressant aussi !




Autres discussions sur ce sujet :
Résolu