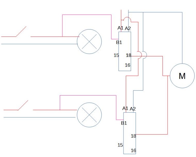
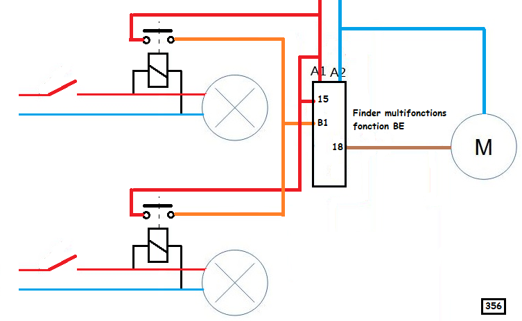
Branchement de relais pour asservir une ventilation à deux interrupteurs
Ce sujet comporte 13 messages et a été affiché 169 fois|  Nouveau sujet    Répondre     | 4  abonnés surveillent ce sujet | 
Généré à l'aide d'une IA
							 Membre utile
 Membre utile Membre super utile
 Membre super utile Membre utile
 Membre utileActuellement en ligne !
										
				 Membre super utile
 Membre super utile Membre utile
 Membre utileActuellement en ligne !
										
				 Membre super utile
 Membre super utile Membre ultra utile
 Membre ultra utile Membre utile
 Membre utileActuellement en ligne !
										
				 Membre super utile
 Membre super utile Membre super utile
 Membre super utileEn cache depuis avant-hier à 07h09
							
							Ce sujet vous a-t-il aidé ?
							
								
									
								
							
								
									
								
						
					
						
										0
									
								Votez !
							
										0
									
								Votez !
							 C'est intéressant aussi !
 C'est intéressant aussi !
									
			
			Devis travaux électriques
Demandez, en 5 minutes, 3 devis comparatifs aux professionnels de votre région. Gratuit et sans engagement.
									
									Demandez, en 5 minutes, 3 devis comparatifs aux professionnels de votre région. Gratuit et sans engagement.
			
			16 idées d'éclairages indirects
L'équipe de Forum Construire sélectionne pour vous les plus belles photos des membres et du web.
									L'équipe de Forum Construire sélectionne pour vous les plus belles photos des membres et du web.
			
			Photos installations électriques
Picorez des idées en parcourant les photos des constructions des autres !
																			Picorez des idées en parcourant les photos des constructions des autres !
 
		4
 abonnés
surveillent ce sujet
surveillent ce sujet
 Autres discussions sur ce sujet :
 Autres discussions sur ce sujet :
				- 
									  Réparer blindage d'un cable coaxial tv12 réponses Forum Electricité, domotique et sécurité Résolu Résolu
- 
									  [Plafond Beton] Percer autour d'une "prise" DCL sans risques ?12 réponses Forum Electricité, domotique et sécurité
- 
									  Problème ajout de chauffage sur courant triphasé12 réponses Forum Electricité, domotique et sécurité Résolu Résolu
- 
									  VMC simple flux : comment temporiser la grande vitesse ?12 réponses Forum Electricité, domotique et sécurité
- 
									  Ajout d'un tableau secondaire sur triphase12 réponses Forum Electricité, domotique et sécurité
- 
									  Peut on brancher un poussoir pour commander un bloc de 3 prises de courant ?12 réponses Forum Electricité, domotique et sécurité Résolu Résolu
- 
									  L'Accès de la VMC collective dans une copropriete12 réponses Forum Electricité, domotique et sécurité Résolu Résolu
- 
									  Installation disjoncteur 2A pour ventilation de Salle de bain5 réponses Forum Electricité, domotique et sécurité
- 
									  ventilation tableau electrique2 réponses Forum Electricité, domotique et sécurité










 C'est intéressant aussi !
 C'est intéressant aussi !




 Autres discussions sur ce sujet :
 Autres discussions sur ce sujet : 
									 Résolu
 Résolu