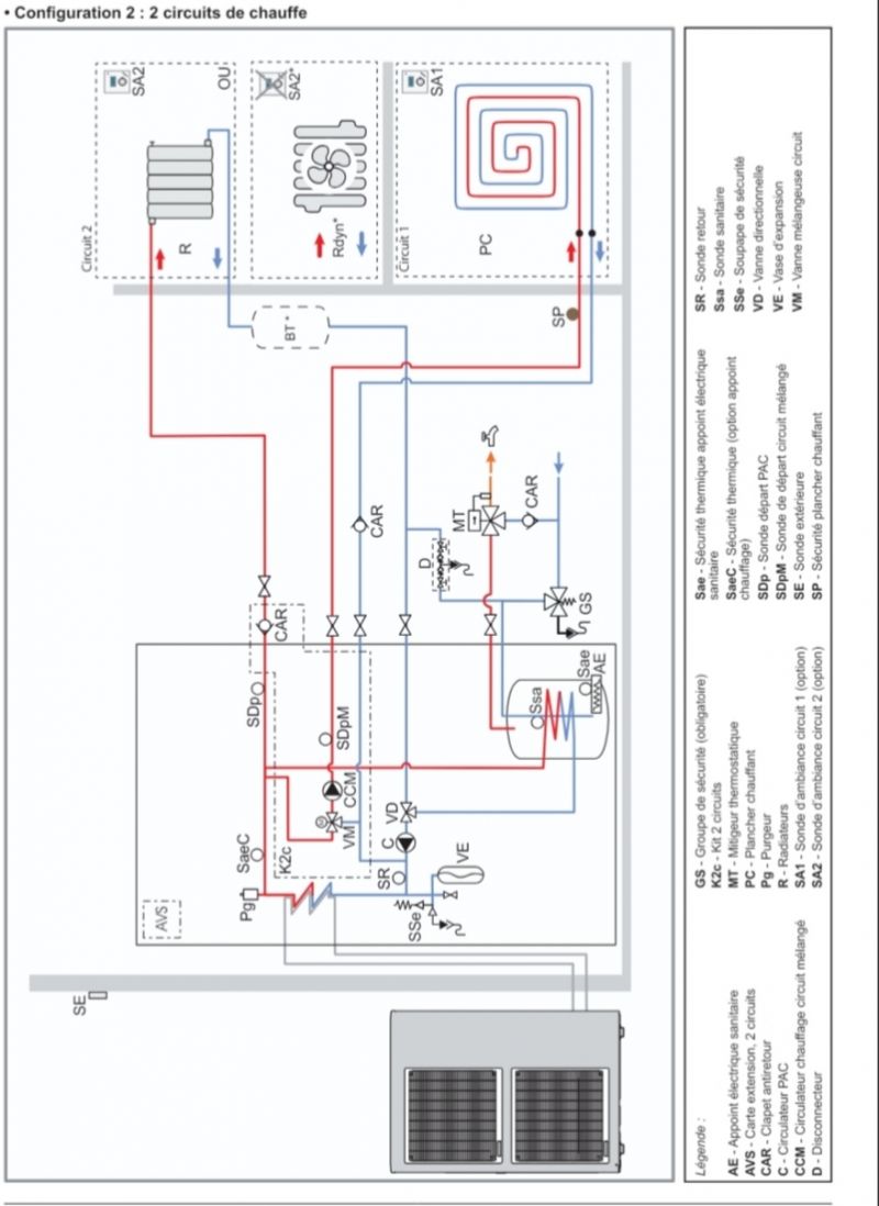
Réglage CC2 sur CC1 (avec 1 seule sonde d'ambiance T55) pour couper le circulateur de CC2 réglé sur loi d'eau
Ce sujet comporte 14 messages et a été affiché 146 fois
Nouveau sujet
Répondre
|
3 abonnés surveillent ce sujet |
Membre utile
Membre utile
Membre utile
Membre utile
Membre utile
Membre utile
Membre utile
Membre utileEn cache depuis le vendredi 06 mars 2026 à 21h39
Ce sujet vous a-t-il aidé ?
0
Votez !
0
Votez !
C'est intéressant aussi !
Devis pompe à chaleur
Demandez, en 5 minutes, 3 devis comparatifs aux professionnels de votre région. Gratuit et sans engagement.
Demandez, en 5 minutes, 3 devis comparatifs aux professionnels de votre région. Gratuit et sans engagement.
Photos installations chauffages
Picorez des idées en parcourant les photos des constructions des autres !
Picorez des idées en parcourant les photos des constructions des autres !
3
abonnés
surveillent ce sujet
surveillent ce sujet
Autres discussions sur ce sujet :
-
PAC air/air panasonic en remplacement des convecteurs electriques
14 réponses Forum Chauffage, climatisation et ventilation -
PAC: mode refroidissement + loi d'eau
9 réponses Forum Chauffage, climatisation et ventilation -
Installation PAC Hitachi Yutaki S80: Quel régulateur filaire adopter pour piloter complétement la PAC (loi d'eau...)
10 réponses Forum Chauffage, climatisation et ventilation -
Problème ALTHERMA 3 et Netamto après passage en loi d'eau
7 réponses Forum Chauffage, climatisation et ventilation
Résolu -
Infos concrètes subventions PAC 2023
13 réponses Forum Chauffage, climatisation et ventilation -
Nuisances pompe à chaleur de mon voisin.
13 réponses Forum Chauffage, climatisation et ventilation -
Réglage de la PAC et loi d’eau
21 réponses Forum Chauffage, climatisation et ventilation -
loi d'eau pompe à chaleur haute température en savoie + consommation électrique
10 réponses Forum Chauffage, climatisation et ventilation -
On arrive pas à baisser la pression de la pompe à chaleur atlantic, on a purger tous les radiateurs
13 réponses Forum Chauffage, climatisation et ventilation




Nouveau sujet
Répondre


Edité 1 fois, la dernière fois il y a +2 mois.
C'est intéressant aussi !




Autres discussions sur ce sujet :
Résolu