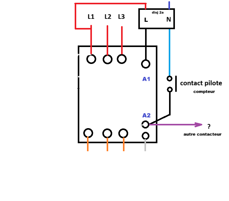
Remplacement ancien contacteur jour/nuit
Ce sujet comporte 56 messages et a été affiché 435 fois
Nouveau sujet
Répondre
|
2 abonnés surveillent ce sujet |
Membre super utile
Membre super utile
Membre ultra utile
Membre ultra utile
Membre super utile
Membre ultra utile
Membre super utile
Membre ultra utile
Membre utile
Membre super utile
Membre super utile
Membre super utile
Membre super utile
Membre super utile
Membre super utile
Membre utile
Membre super utile
Membre super utileEn cache depuis aujourd'hui à 08h12
Ce sujet vous a-t-il aidé ?
0
Votez !
0
Votez !
C'est intéressant aussi !
Devis travaux électriques
Demandez, en 5 minutes, 3 devis comparatifs aux professionnels de votre région. Gratuit et sans engagement.
Demandez, en 5 minutes, 3 devis comparatifs aux professionnels de votre région. Gratuit et sans engagement.
Comment choisir ses fils et câbles électriques ?
Les guides vous aident à y voir plus clair sur la construction.
Les guides vous aident à y voir plus clair sur la construction.
16 idées d'éclairages indirects
L'équipe de Forum Construire sélectionne pour vous les plus belles photos des membres et du web.
L'équipe de Forum Construire sélectionne pour vous les plus belles photos des membres et du web.
Photos installations électriques
Picorez des idées en parcourant les photos des constructions des autres !
Picorez des idées en parcourant les photos des constructions des autres !
2
abonnés
surveillent ce sujet
surveillent ce sujet
Autres discussions sur ce sujet :
-
Disjoncteur pour tableau divisionnaire
37 réponses Forum Electricité, domotique et sécurité
Résolu -
Telerupteur a raccorder dans le tableau électrique
59 réponses Forum Electricité, domotique et sécurité
Résolu -
Prise murale Chargeur usb......
37 réponses Forum Electricité, domotique et sécurité -
Mise à la terre, valeur trop haute
43 réponses Forum Electricité, domotique et sécurité -
Raccordement triphasé pour trois logements
54 réponses Forum Electricité, domotique et sécurité -
Comment tester réglette à tube fluorescent avec un multimètre
38 réponses Forum Electricité, domotique et sécurité -
Installation de parafoudres en triphasé et ligne téléphonique
47 réponses Forum Electricité, domotique et sécurité -
Plaque induction qui fait sauter le dysjoncteur
53 réponses Forum Electricité, domotique et sécurité -
Allumer 30 gyrophares simultanement, quel transfo ?
33 réponses Forum Electricité, domotique et sécurité




Nouveau sujet
Répondre










, en fait tout est à refaire. 

Edité 1 fois, la dernière fois il y a +4 mois.




C'est intéressant aussi !




Autres discussions sur ce sujet :
Résolu